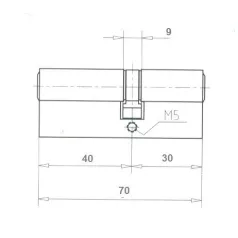
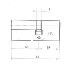
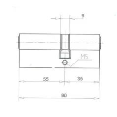
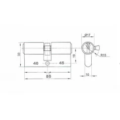
Típus
:
Félbetét
Szín
:
Nikkel
Kulcsok
:
3 kulcsos
7 047 Ft