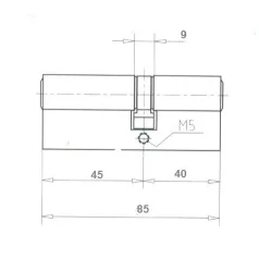
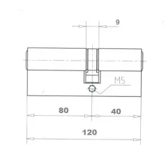
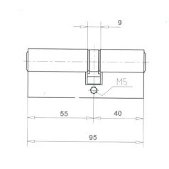
Típus
:
Normál
Szín
:
Nikkel szálcsiszolt
Kulcsok
:
5 kulcsos
4 881 Ft