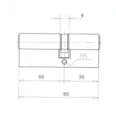
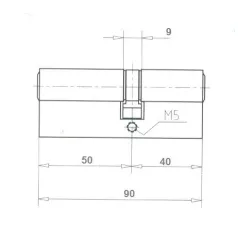
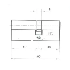
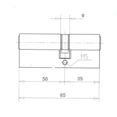
Típus
:
Normál
Szín
:
Nikkel
Kulcsok
:
3 kulcsos
3 691 Ft