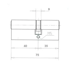
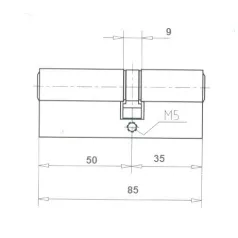
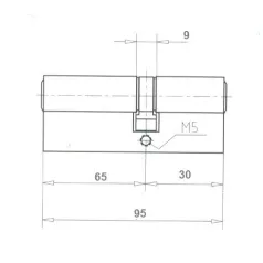
Típus
:
Normál
Szín
:
Nikkel
Kulcsok
:
5 kulcsos
16 153 Ft